干貨 | 電涌保護器的TOP10常見問題
Q1:SPD的作用是什么?
雷擊發生、大功率設備啟停、靜電放電時,會產生瞬時過電壓(電涌),造成設備損壞。SPD安裝在需保護的設備前端,當電涌產生時,SPD能迅速導通,將電涌泄放到地,將電壓限制在安全水平,從而保護后端設備。 是否安裝SPD,一般從2個方面來考慮。 一是設備遭受電涌入侵的概率 如當地的雷暴日數、系統所處的環境、設備安裝位置等。 二是設備的重要性 如設備自身的價值、系統的安全性要求、設備在系統控制中的重要性等。 SPD配置相關標準: 1、通用標準 GB/T21714.4-2008(IEC 62305-4 2006)雷電防護第4部分:建筑物內電氣和電子系統; GB50057-2010建筑物防雷設計規范; GB50343-2012建筑物電子信息系統防雷技術規范。 2、行業標準 SHT3164-2012 石油化工儀表系統防雷工程設計規范; YD5068-1998 移動通信基站防雷與接地設計規范; TB10180-2016 鐵路防雷及接地工程技術規范; DLT 381-2010 電子設備防雷技術導則。 SPD內部電子元器件如氣體放電管、壓敏電阻、瞬態抑制二極管、二極管等,承受電流沖擊時,會對性能產生一定影響,當SPD累計承受放電沖擊次數過多時,會造成性能下降、劣化。 另外元器件受溫度、濕度等影響,性能會逐步下降,存在壽命限制。依據GB∕T 20438.2-2017(等同IEC61508-2 2010)標準7.4.9.5條:電子元器件使用壽命往往在8~12年之間。如果長期在接近規范極限下工作,其壽命可能大大降低。 如在室外高溫高濕條件下,SPD預計使用壽命是3~5年。而如果系統電壓接近SPD的最大持續工作電壓,或系統頻繁出現工頻過電壓,則SPD的使用壽命會更短。 應根據現場情況(雷暴日數、溫濕度、供電電壓質量等因素),定期更換SPD。 如在南方雷暴日較多、應用于溫濕度環境較惡劣的室外等場所,建議3~5年進行更換; 如在北方雷暴日較少、溫濕度環境較好且供電質量較好的地方,可使用5~8年以上進行更換。 而對于有狀態指示的SPD,如果指示SPD失效,需馬上更換。 另外,SPD可以通過專門的檢測設備(斷線檢測)來判斷是否失效,也可以安裝在線雷電監測系統實時監測,根據環境、雷電沖擊情況來評估。 電源SPD選型主要考慮以下3個要素: 1、根據電源系統、相數,選擇對應的SPD組合模式。 常用的電源系統有TN-S,TN-C,TN-C-S,TT、IT。Q2:SPD要不要配置,依據的標準有哪些?
Q3:SPD的使用壽命有多長?
Q4:電源SPD如何選型?


對應的組合模式:
單相TN:2P,1P+1
單相TT:1P+1
三相TN-S:4P,3P+1
三相TN-C、IT:3P
三相TT:3P+1
TN-C-S系統,即前半部分是TN-C系統,后半部分是TN-S系統。
2、根據系統的工作電壓,選擇Uc值。
SPD應用時,Uc必須大于電源系統的工作電壓Un(Un為相電壓,L-N或L-PE間的電壓)。考慮到電網波動,一般要求Uc至少大于1.15Un,在中國,一般會選擇Uc大于1.35Un以上。
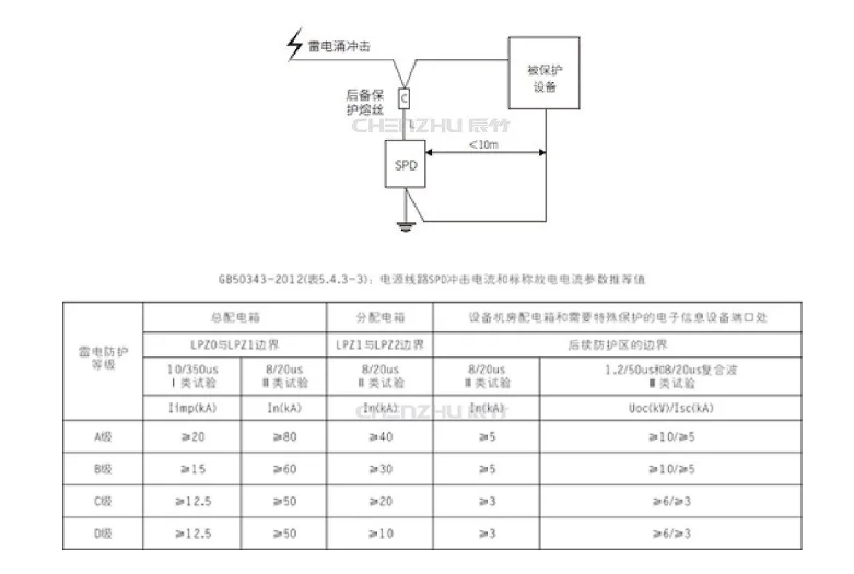
3、根據防護等級設計要求以及SPD安裝位置,選擇SPD的放電能力。
參考下方GB 50343標準:

Q5:信號SPD如何選型?
信號SPD采用35mm導軌安裝方式,選型時,需要了解以下內容: 1、信號的類型是什么? 根據信號類型,可以確定系統的工作電壓,從而確認Uc。 一般情況下: 模擬量輸入輸出AI,AO:24V, 數字量輸入輸出DI,DO:24V, RS485,熱電偶TC:5V, RS232:12V 熱電阻RTD:5V 2、回路的工作電流IL多大? 信號SPD一般串聯在回路中,電路的工作電流會流過SPD,如果IL超出SPD耐受水平,會引起SPD燒壞。一般情況下IL都滿足要求。對于一些功耗較大的3線、4線儀表、DO等,需要確定其電源回路的電流大小。 3、需要保護的線數? 根據保護線數選擇對應的2線、3線、4線產品。 4、是否要求本安防爆? 有,選擇本安型SPD; 無,選擇非本安SPD。 現場儀表用SPD多采用螺紋安裝方式,選擇時確定以下內容即可。 1、保護線數 2線、3線、4線,相應選擇。注意保護線數不包含接地線。 2、是否有備用電氣接口? 有:并聯型CZLBX-48 無:串聯線CZLBX-48-S 3、螺紋形式? 訂貨時需要指定,常用的螺紋類型有1/2’NPT,3/4’NPT,M20*15,G 1/2,G 3/4。 1. SPD應盡量靠近被保護設備,距離應在10m以內。 2. SPD必須可靠接地,應將被保護設備的接地線連接至SPD,然后在SPD處接地。 3. SPD應以盡量短的距離接到總接地排或分組接地排,如電源SPD,要求接地線長度小于0.5m。 4. SPD的接地線需要保證一定的截面積,與SPD放電能力匹配。 5. 串聯型SPD(多為信號類SPD)安裝時需要注意方向,SPD的輸出端應接被保護設備。Q6:現場儀表用SPD如何選型?
Q7:安裝SPD有哪些注意事項?

Q8:Uc=320VAC的電源SPD為什么
可以應用在380VAC的電壓系統中?
三相系統中,線電壓(L-L)是380V,而相電壓(L-N/PE/PEN)是220V,而SPD只用在L-N、L-PE、L-PEN之間,其Un是220VAC,Uc=320VAC。Uc=1.45Un,所以是適用的。 電源SPD在運行時,如SPD承受超過其耐受能力的雷電流,或電網出現故障過電壓等,可能造成SPD短路故障,這時就需要過流保護裝置將SPD從線路上切除。Q9:電源SPD為什么要安裝后備保護器,
如何匹配?

前置過流保護裝置F2的配置,應該同時滿足以下要求:
1. 與SPD的放電能力匹配,在電涌沖擊時不動作;
2. 在SPD出現“短路”故障時及時可靠地動作;
3. 與主回路過流保護裝置F1配合。
F2的額定電流既不能太小 ( 無法滿足要求1 ) ,也不能太大 ( 無法滿足要求2、3 ) 。實際應用中很可能出現無法同時滿足的情況,這就需要設計人員根據實際情況來決定。如要求供電連續,則F2動作而F1不動作。如要求SPD保護連續,則優先保證F2與SPD放電能力配合。
假定SPD的推薦后備保護熔絲的大小為A安培,根據不同的情況,F1、F2選擇如下( 見下表 )

Q10:如何判斷SPD好壞?
SPD是通過泄放電流到地的方式進行保護,并不是“一打雷就會壞”,除非SPD選型錯誤,否則單次雷電流沖擊就造成SPD損壞的概率極低。 電源SPD均設置脫扣裝置,如果SPD失效,可直接通過指示窗口發現。SPD脫扣裝置不是為了在其泄放雷電流時脫扣,而是為了在SPD劣化失效后,避免故障電流持續流過SPD引起SPD起火。 信號SPD起火風險小,因此不要求設置脫扣裝置,多采用專門的防雷器件測試儀離線檢測。隨著技術的發展,信號SPD的狀態指示功能正在普及,也可以通過狀態指示來判斷其好壞。

